Satisfacción total en tu compra

Despacho 24H

30 Días de garantía de devolución

Obsequio con tu compra

Descuentos especiales

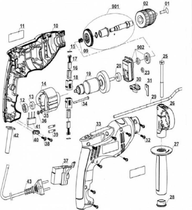
despiece de producto

Taladro Percutor

Modelo: BT - ID 550E

Taladro Percutor

Taladro Percutor
Modelo: BT - ID 550E
Marca: Einhell
Categoría: Taladros

Solicitud de presupuesto/Existencia

Los despieces mostrados en esta página son ilustrativos y tienen fines orientativos. La presencia de una marca o modelo en las imágenes no implica necesariamente que trabajemos directamente con dicha marca ni que contemos con todos sus repuestos disponibles. Para confirmar la disponibilidad de piezas específicas, por favor contáctanos directamente.

Despieces de productos por marca